Strošek dostave: 5€

Naša koda: P245994

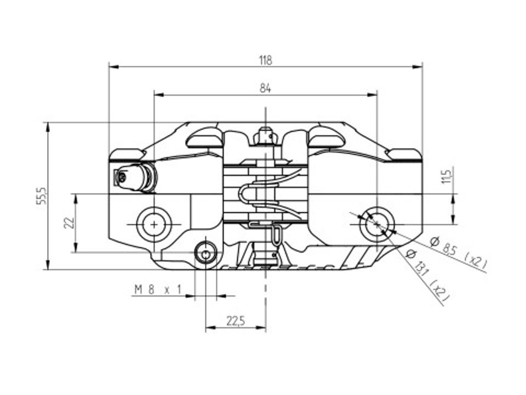
Radial brake caliper ACCOSSATO PZ014

ACCOSSATO Radial brake caliper for MiniGp, Pitbike and Scooters.
Možnosti:

361,12 € Vsebuje DDV
296,00 € brez DDV
7-10 dni
+ -
(kos)

Primerjaj

Navadenih v kategorijah:     Radial brake calipers ACCOSSATO

Radial brake caliper ACCOSSATO PZ014
361,12 €
+ -

Opis in parametri

Proizvajalec ACCOSSATO
Package contents Left caliper
Naša koda: P245994
0 izdelki k porovnání PrimerjavaPokaži primerjavo