Strošek dostave: 5€

Naša koda: P245991

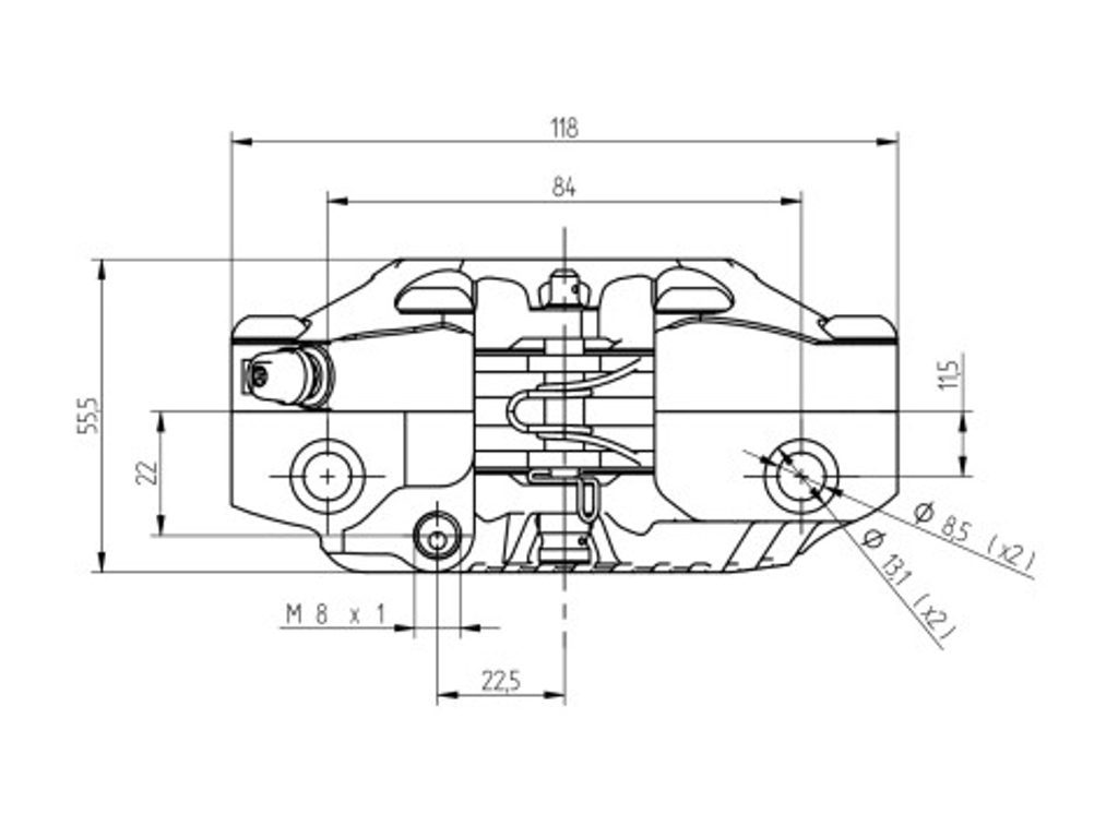
Radial brake caliper ACCOSSATO PZ014

ACCOSSATO Radial brake caliper for MiniGp, Pitbike and Scooters.
Možnosti:

722,24 € Vsebuje DDV
592,00 € brez DDV
7-10 dni
+ -
(kos)

Primerjaj

Navadenih v kategorijah:     Radial brake calipers ACCOSSATO

Radial brake caliper ACCOSSATO PZ014
722,24 €
+ -

Opis in parametri

Proizvajalec ACCOSSATO
Package contents Pair of calipers
Naša koda: P245991
0 izdelki k porovnání PrimerjavaPokaži primerjavo