Strošek dostave: 5€

Naša koda: P245978

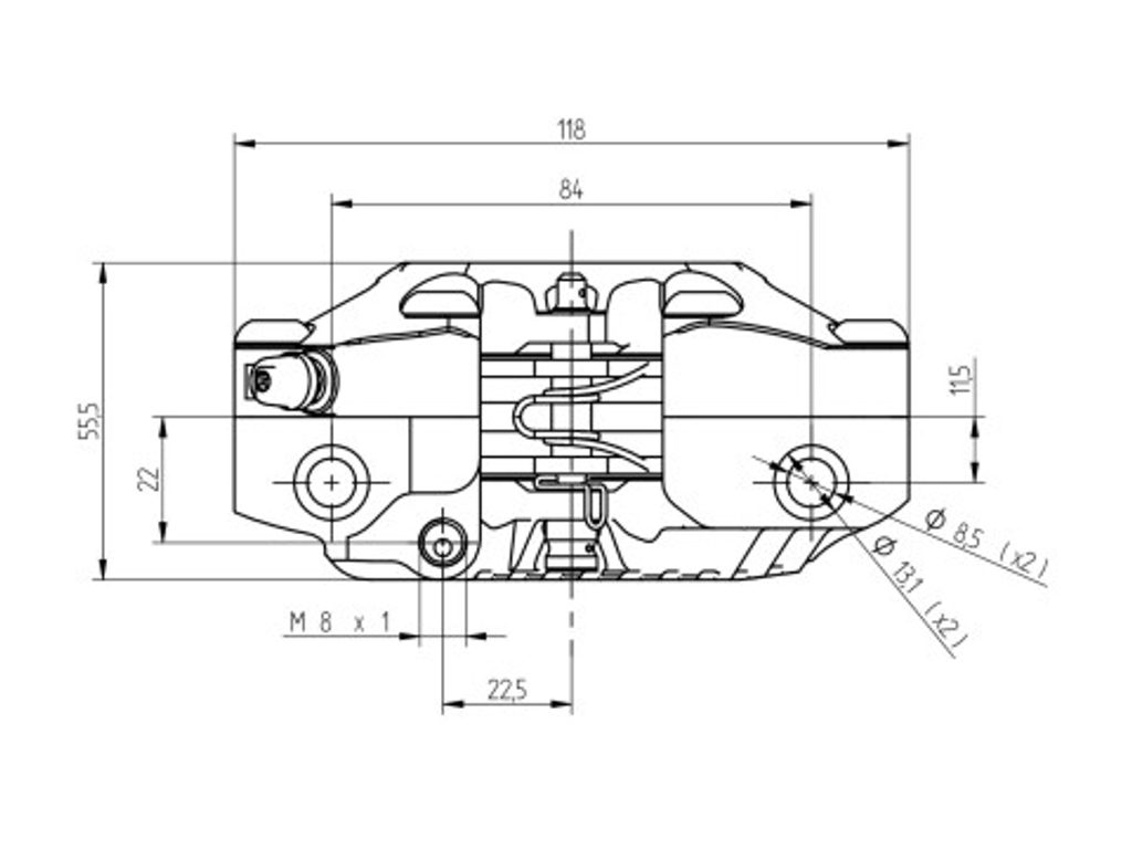
Radial brake caliper ACCOSSATO PZ014

ACCOSSATO Radial brake caliper for MiniGp, Pitbike and Scooters.
Možnosti:

368,44 € Vsebuje DDV
302,00 € brez DDV
7-10 dni
+ -
(kos)

Primerjaj

Navadenih v kategorijah:     Radial brake calipers ACCOSSATO

Radial brake caliper ACCOSSATO PZ014
368,44 €
+ -

Opis in parametri

Proizvajalec ACCOSSATO
Package contents Right caliper
Naša koda: P245978
0 izdelki k porovnání PrimerjavaPokaži primerjavo